摘要:针对双方液位计迁移量计算错误,零点设定不当的问题,本文主要介绍了双法兰差压变送器测量原理以及测量液位时由于迁移量和零点设定不当所产生的故障,并给出了详细的原因分析及解决方法。
在炼油、石油化工生产、煤化工和煤制油等工业领域,液位是#重要的工艺参数之一,测量液位的仪表种类繁多,如浮力式液位计、雷达液位计、放射性液位计、超声波液位计、电容式液位计、音叉液位开关和差压式液位计等。其中双法兰差压液位计以其精度高、稳定性好、测量范围广、测量精度高、安装方便等优点备受化工生产的青睐。
双法兰差压液位计能对变送器的参数进行修改,可以与具有相同通讯协议的DCS系统或现场通讯控制、设定器进行数据通讯交换。在我厂合成氨生产装置的各个环节中,我们多处利用双法兰差压变送器测量锅炉汽包、表面冷凝器、压缩机段间分离器、氨冷器以及喷射蒸汽发生器(111~C)的液位。
1差压变送器原理简介
双法兰液位变送器由差压变送器、毛细管和带密封隔膜的双法兰组成。密封隔膜的作用是防止管道中的介质直接进入差压变送器,它与变送器之间是靠注满液体的毛细管连接起来,当膜片受压后产生微小变形,变形位移通过毛细管的液体传递给变送器,由变送器处理后转换输出4—20mADC 电流信号。
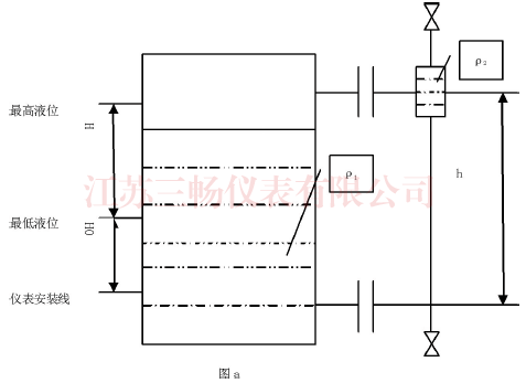
在对双法兰液位变送器的量程和迁移量的汇总核实时,发现变送器量程存在选择不当,迁移量设置错误的情况,这是造成仪表测量不准的重要原因。如图a。

双法兰差压变送器量程的计算公式为:
![]()
零点迁移量计算公式为:
![]()
其中△P为双法兰液位变送器的量程(单位:KPa);H为被测容器内的液位高度(单位:m);g为重力加速度(单位:9.8m/s2);
ρ1为被测介质密度(单位:kg/m3);ρ2为毛细管内填充甲基硅油的密度(单位:kg/m3);S 为零点迁移量(单位:KPa);h 为双法兰间距;
由公式(1)、(2)可得,通过双法兰差压变送器测量液位得到的结果,其准确程度与变送器的安装位置无关,与被测容器内也为高度H、被测介质的密度ρ1以及毛线管内填充液体密度ρ2有关,变送器零点必须进行负迁移,迁移零点的原理见图b

2故障案例及原因分析
(1)事件过程
2015 年9 月22 日塔西南化肥厂合成氨装置103~J/JT 跳车。检查发现段间分离器105~F液位高开关联锁动作,双法兰液位变送器LT~11指示为零,将机组段间分离器底部导淋打开排出大量的水,经检查该双法兰液位计的迁移量偏差严重;量程也和设计严重不符,现场安装使用的变送器量程为62.3Kpa,而设计量程仅为3Kpa。
(2)原因分析
差压变送器未按设计选型订购;以及仪表人员对双法兰液位计的迁移量计算存在认识上误区,一般只注重灌水的调试,并未查看设计资料根据原始数据以及生产需要进行准确迁移。下表c为锦西化工机械厂针对我厂LT~11的设计数据表

由上表c知;
#大测量范围(量程)![]()
3 问题解决
通过以上分析,我们发现,由于摩擦副的运动速度较快,加上不锈钢下料盘为配对摩擦副,原设计中使用球墨铸铁材料,希望通过材料中的球墨成份来解决润滑问题,并不太成功,加上使用环境较为恶劣,使的设备磨损比设计者希望的更为严重。这样的摩擦副怎么解决润滑问题呢?关于平面摩擦摩擦副设计的文章较少,相关的设计依据难以找到。但我们可以将该摩擦副视为一对滑动轴承上的摩擦副,根据相关材料说明,在p<1MPa,v<1m/s时,可以使用铸铁作为摩擦副,但由于此处速度高于1m/s,考虑到球墨有一定润滑作用,实际运行中的温升并没有剧烈到严重超温的情况,所以,可以在不变更原摩擦副材料的基础上,在球墨磨盘上增大其加脂槽,并加强加脂管理,应该可以解决问题。
为此,我们在球墨磨盘的中心开出如图形状的加脂槽,槽深8mm。相对原来的加脂槽,现在的加脂槽面积大为增加,占到磨盘面积的25%左右,表面压强有一定增加。考虑到原来的压强较小,即使减小了摩擦副的接触面积,对摩擦副的运行状况影响也比较小。
同时,又修理了原来的加脂系统,使之便于操作。并规定操作人员每天给球墨磨盘中心加入润滑脂。考虑到摩擦副的工作负荷小,速度相对比较快,按照相关手册,选用2号钙基脂,脂的锥入度265~295,滴点大于85℃,流动性较好。
上图为球墨磨盘工作情况的图片,从图中可以看出润滑脂从摩擦副中慢慢渗出的情况,渗出的脂中携带了很多粉尘,其颜色和物性都发生了变化,改造后,系统排脂量加大,有利于粉尘的带出。
对加脂槽系统改造后,球墨磨盘的温度从80℃降低到30℃以下,运行一年多,效果良好。
目前,我们还在致力于进行大颗粒厂房粉尘问题的解决,当粉尘问题解决时,摩擦情况将得到进一步的优化。
4 结语
本文对大颗粒装置震动给料器摩擦副的工作原理、受力、摩擦要素和润滑情况综合分析,分析出原设计的不足之处,在原系统中进行了小的改造,以较小的成本取得了成功。这说明,摩擦设计是非常复杂的,涉及的因素非常多,对润滑系统的故障要从设计、选材、受力分析、环境影响分析等多方面着手,方能取得圆满效果。
相关文章tuijian:双法兰液位变送器在焦化生产中的安装测量计算液位的案例详解、隔膜式双法兰差压变送器测量液氨储罐液位的原理、注意事项以及常见故障分析、
















关注我们 实现共赢